產品詳情
雙向推力角接觸球軸承
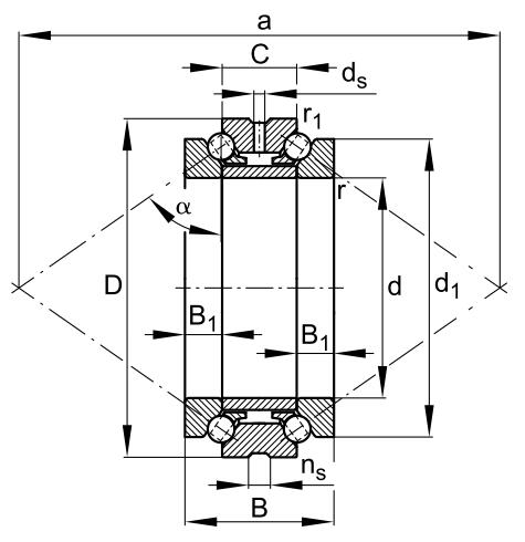
雙向推力角接觸球軸承的特點是可以同時承受徑向和軸向載荷的聯合載荷,***軸的兩方面的軸向位移。它是由外圈、內圈、鋼球、保持架組成,能在較高的速度下穩定地工作。安裝時應注意,雖然軸承可承受雙向軸向載荷,但若一側有裝球缺口時,則應注意不要讓主要軸向載荷通過有缺口的一側溝邊。





- 上一篇:72系列精密角接觸球軸承
- 下一篇:718系列角接觸球軸承
雙向推力角接觸球軸承
雙向推力角接觸球軸承的特點是可以同時承受徑向和軸向載荷的聯合載荷,***軸的兩方面的軸向位移。它是由外圈、內圈、鋼球、保持架組成,能在較高的速度下穩定地工作。安裝時應注意,雖然軸承可承受雙向軸向載荷,但若一側有裝球缺口時,則應注意不要讓主要軸向載荷通過有缺口的一側溝邊。




